Electronics Obstacle Course

From APL_wiki
Jump to navigation Jump to search

Permanent Materials (located in the electronics area):

- power supplies
- function generators
- oscilloscopes
- Fluke 179 multimeter (MM)
- capacitance meter
- electronic proto-boards
- wire, resistors, capacitors, inductors, diodes, Op-Amps, other ICs
- photodiodes (PDs), light-emitting diodes (LEDs), laser diodes (LDs)
- soldering equipment and supplies

Materials to borrow when necessary

- The Art of Electronics (AoE)- 3rd Edition, Horowitz & Hill
- inductance meter
- voltage supply - Red LD module - Optical power meter - Spectrometer

Electronic Component Symbols

Activities

  • If you have zero electronic training or experience read chapters 1-6 of Keith Brindley's eBook Starting Electronics.
  • If you have a little experience with electronics proceed and consult Starting Electronics or The Art of Electronics as needed.
  • CLEAN UP THE OBSTACLE COURSE SETUP AFTER USE - PUT BACK ELECTRONIC COMPONENTS IN APPROPRIATE PLACES AFTER EACH ACTIVITY
  • Keep a journal of your activities, results and answers to any questions asked in the activities below. You will use this for your write-up.

Resistor & Capacitor Basics

  • Read Chpt 1 of AoE.

multimeter
  1. With a MM measure the resistance of five 100 Ohm resistors. Do they fall within the specified tolerance?
    1. What is resistance? Can you provide an analogy based on water flowing through pipes?
    2. Describe physically a resistor.
    3. Is energy stored in a resistor or dissipated as heat? Can you provide an explanation of the basic physical processes?
    4. What is the resistance of two 100 Ohm resistors in series? How do resistors in series add?
    5. What is the resistance of two 100 Ohm resistors in parallel? How do resistors in parallel add?
    6. How might the MM measure the resistance?
    7. What can you say about the "internal" resistance of the MM in resistance measurement mode?
      proto-board
    8. Using a proto-board and one of the 100 Ohm resistors put 2.5VDC across the resistor. Calculate the current. Use the MM in ammeter mode to measure the current. Are the calculated and measured values close? Does the power applied to the resistor fall within the power rating of the resistor? What is power? What could happen if you applied too much power to the resistor?
    9. What is current?
    10. How might the MM measure current?
    11. What can you say about the "internal" resistance of the ammeter used in the measurement of the current?
    12. How do the MM wire leads effect these measurements?
    13. Could you measure the resistance of a 1cm length of copper wire with the MM? Why?
  2. Put 150mA of DC current through a 10 Ohm resistor.
    1. What power is being applied to the resistor? Calculate the voltage across the resistor. With the MM measure the voltage across the resistor. Are these values close?
    2. What is voltage?
    3. How might the MM measure a voltage?
    4. What can you say about the MM's "internal" resistance when it measures a voltage?
  3. With a function generator put a 5VAC (peak-to-peak) sinusoidal voltage at frequencies of 50, 500 and 1000 Hz across a ~ 5k Ohm resistor.
    1. Using the MM in voltage mode measure the AC voltage. Does it vary with frequency?
    2. Using the MM in current mode measure the AC current. Does it vary with frequency?


  4. Measure the capacitance of five 0.1 Failed to parse (SVG (MathML can be enabled via browser plugin): Invalid response ("Math extension cannot connect to Restbase.") from server "https://wikimedia.org/api/rest_v1/":): {\displaystyle \mu} f unpolarized capacitors. Do they fall within the specified tolerance?
    1. What is capacitance? Describe physically a very simple capacitor.
    2. How is energy stored in a capacitor?
    3. What is the difference between unpolarized and polarized capacitors?
    4. What is the capacitance of two 0.1 Failed to parse (SVG (MathML can be enabled via browser plugin): Invalid response ("Math extension cannot connect to Restbase.") from server "https://wikimedia.org/api/rest_v1/":): {\displaystyle \mu} f capacitors in series? How do capacitors in series add?
    5. What is the capacitance of two 0.1 f capacitors in parallel? How do capacitors in parallel add?
    6. How might the capacitance meter measure the capacitance?
    7. Using a proto-board apply 2.5VDC across an 0.1 f capacitor and 100 Ohm resistor in series. Using a MM measure the voltage across the entire capacitor + resistor series network. Measure the voltage across the capacitor only. Measure the voltage across the resistor only. Explain the measured voltage across the resistor.
    8. Now apply a 2.5VAC sinusoidal voltage across the capacitor + resistor network at 50, 500 and 1000 Hz.
    9. What's the voltage across the resistor for 50, 500 and 1000Hz?
    10. What's the voltage across the capacitor for 50, 500 and 1000Hz?
    11. How does the voltage across the capacitor as a function of frequency compare to the voltage across a resistor as a function of frequency?


  5. Build a network of two (possibly different valued) resistors that takes an input voltage of 5VDC and produces an output voltage at 2.5VDC.
  6. Build a network of two (possibly different valued) resistors that takes an input voltage of 5VDC and produces an output voltage at 1.25VDC.
  7. Build a network of an Failed to parse (SVG (MathML can be enabled via browser plugin): Invalid response ("Math extension cannot connect to Restbase.") from server "https://wikimedia.org/api/rest_v1/":): {\displaystyle \mu} f capacitor and a 100 Ohm resistor in series.
    1. Apply a 1VAC sinusoidal (input) signal to the capacitor at 100, 1000, 5000, 10000, 15000, 20000, 25000 and 50000 Hz and measure the (output) voltage between the capacitor and the resistor for each frequency.
    2. Plot as a function of frequency. What can you say about the frequency dependence of the ratio of output to input voltage?
    3. You've just built three very useful circuits called voltage dividers. Would a voltage divider containing only resistors work for AC voltages? If you're unsure, try it. Would a voltage divider containing at least one capacitor work for DC voltages? Again, if you're unsure, try it.


  8. Now, apply a 1V 10Hz square pulse to a 500 Ohm resistor and an 10 Failed to parse (SVG (MathML can be enabled via browser plugin): Invalid response ("Math extension cannot connect to Restbase.") from server "https://wikimedia.org/api/rest_v1/":): {\displaystyle \mu} f capacitor in series.
    1. Using an oscilloscope measure the voltage across the capacitor. (You'll need to use the oscilloscope's front-panel controls to get the waveform on the screen and get the triggering to work)
    2. Are the leading and trailing edges of the pulse similar? Why?
    3. What is the "rise time" of the leading edge (10% to 90%)?
    4. What is the "fall time" of the trailing edge (10% to 90%)?
    5. What is the time it takes for the trailing edge to fall to 1/e of its initial value?
    6. What is the value of the resistance multiplied by the capacitance?
    7. Repeat the above measurements with a 1 Failed to parse (SVG (MathML can be enabled via browser plugin): Invalid response ("Math extension cannot connect to Restbase.") from server "https://wikimedia.org/api/rest_v1/":): {\displaystyle \mu} f capacitor instead of the 10 Failed to parse (SVG (MathML can be enabled via browser plugin): Invalid response ("Math extension cannot connect to Restbase.") from server "https://wikimedia.org/api/rest_v1/":): {\displaystyle \mu} f capacitor.
    8. Are the rise and fall times faster or slower?
    9. What can you say about the rise time as a function of capacitance?
  9. Next let's use resistors and a capacitors to build one frequency-low-pass circuit and one frequency-high-pass circuit.
    1. Use what you've learned about the AC and DC responses of capacitors and resistors to put together a resistor + capacitor network that blocks DC current, strongly attenuates low frequencies but passes high frequencies (hint: recall the voltage divider of 7 above).
    2. Determine the circuit's 3dB point.
    3. Put together a resistor + capacitor network that passes DC current and low frequencies but strongly attenuates high frequencies.
    4. Determine the circuit's 3dB point.


Inductor Basics

Inductor Symbol- L
  1. Measure the inductance of five 1mH inductors. Estimate their tolerance (5%, 10%, 15% or 20%).
    1. What is inductance? Describe physically a very simple inductor.
    2. How is energy stored in an inductor?
    3. What is the inductance of two 1mH inductors in series? How do inductors add in series?
    4. What is the inductance of two 1mH inductors in parallel? How do inductors add in parallel?
    5. Do inductors add like resistors or capacitors?
    6. How does the inductance meter measure inductance?
  2. Using a proto-board apply 1VDC across a 1mH inductor and 500 Ohm resistor in series. Using a MM measure the voltage across the entire inductor + resistor series network. What is the inductors "resistance" in this situation?
  3. Put a 1VAC sinusoidal signal across the inductor + resistor network at 50, 500, 2kHz, 5kHz and 10kHz, 25kHz, 50000, 250kHz and 1Mhz.
    1. At each frequency measure the voltage across the inductor only. Measure the voltage across the resistor only. Explain the measured voltage across the resistor in terms of how the inductor behaves with frequency.


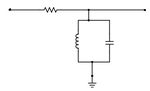
Resonant circuits

LC resonant circuit - bandpass filter
  1. Construct the circuit shown at the right using a 500 Ohm resistor, 1mH inductor and a 10uf capacitor.
    1. Apply a 1VAC sinusoidal input voltage at frequencies between 10 and 6200Hz and plot the output voltage as a function of frequency.
    2. At what frequency is the response of the circuit maximum?
    3. Use QUCS or LTSpice to simulate this circuit. These software programs are on the lab desktop computers (or you can put them on your own laptop. You can find information on the programs in these links QUCS and LTSpice. Consult with the instructor or TA concerning how to do this and what the results should look like.
    4. Explain the response of this circuit based on what you've learned about capacitors and inductors.
    5. When would a circuit with a response like this be useful?





Impedance and Reactance

Impedance is resistance generalized. A resistor resists (dissipates power) but does not change the waveform (square wave in square wave out). Capacitors and inductors (since they store energy) can react and cause changes in the waveform (see section 8 above).

The concept of impedance includes resistance and reactance effects. That is, Impedance = Resistance + Reactance. All the frequency dependence is contained within the reactance. For ideal capacitors and inductors their resistance is zero (not the case in real life). An ideal resistor is a purely resistive component and has no reactance (again, not the case in real life).

We can use the word "impedance" in general. When we say something like, "What's the resistor's impedance", we are referring to the resistance term of the resistor's impedance equation. When we say something like, "What's the impedance of the capacitor", we are referring to the reactance term of the capacitor's impedance equation.

  1. Think back to the previous exercises.
    1. What is the frequency dependence of a capacitor's impedance?
    2. What is the frequency dependance of an inductors impedance?

Diodes

For the electronic components considered above (resistor, capacitor, inductor) it doesn't matter which way you put them into a circuit - they are non-directional. That is, you can flip their leads and the circuit will behave the same. For diodes this is not the case. Diodes are directional and it matters which way they are oriented in a circuit. Diodes are physically more complicated than the components treated above so we won't go into an explanation of just what a diode is now. Here, we'll only consider how diodes behave.

For a more detailed study of diodes and transistors you may read Sze's Semiconductor Physics (on bookshelf): All of chapter 1, sections 2.1, 2.2, 2.3 for basic semiconductor background and sections 3.1, 3.2, 3.3, 3.4 for diodes and PN junctions and section 4.1 for transistor action.

Download and run this PN junction applet. By adjusting the bias voltage show that the diode conducts only under forward bias.

Diode
Diode
  1. Put a (6V) Zener Diode in series with a MM in ammeter mode and ground the anode.
    1. Apply 0.7VDC to the cathode and measure the current through the diode.
    2. Now ground the cathode and apply 0.7VDC to the anode and measure the current through the diode.
    3. Are the currents the same?
  2. With the cathode grounded apply voltages from 0-1.5 VDC to the anode in 0.1 V increments and plot the result. This is the forward I-V curve for the diode. The diode is said to be "forward biased" in this situation.
    1. There should be a "knee" in this curve where the diode "turns on" or conducts. About what voltage is this?
  3. Using a (current limited) voltage supply, apply voltages from 0-10VDC to the cathode (anode grounded) and plot the result. This is the reverse I-V curve for the diode. The diode is said to be "reverse biased" in this situation.
    1. There should be a "knee" in this curve too where the diode starts to conduct in the reverse direction. About what voltage is this?
    2. Are the forward and reverse "turn on" voltages symmetric about 0V?


  4. Construct the diode clamp circuit shown at the right.
    wiring
    wiring
    1. Apply input voltages from 0-10VDC and plot the output voltage vs. input voltage.
    2. Does the diode clamp earn its name?
    3. Can you explain the maximum output voltage?









  5. Employ an AC voltage divider with a resistor and the P6KE6.8 to measure the diode's capacitance as a function of bias voltage.
    This diode capacitance issue will play a role later on when we encounter optoelectronic devices. In the AC voltage divider shown at the right the C indicates the capacitance of the diode. That is, don't put a capacitor where "C" is but the P6KE6.8 diode with its cathode grounded. Apply a 20mV AC sinusoidal signal with varying (positive to the anode) DC offsets (larger than 20mV) to the input. The DC offset is the diode's bias voltage. Look for amplitude changes to the AC signal at the output. With the voltage divider formula and the formula for the impedance of a capacitor you should be able to plot the diodes capacitance Cd as a function of bias voltage (the DC offset).
    1. Does the diode's capacitance decrease of increase with positive bias voltages?
    2. Is there a limiting behaviour? If so, can you explain it?
    3. Now measure the diode's capacitance for reverse biases from 0 to 25VDC (positive to the cathode).
    4. Does the diode's capacitance change much for reverse bias voltages?





Bridge Circuits

This section under construction...

Transistors

  • Read Chpt 2.1, 2.1.1, 2.2.1 and 2.2.3 concerning bipolar transistors in AoE
Transistors

All the components (even diodes) examined above are considered "passive" components. That is, they can't supply energy. Transistors are considered "active" in the sense that they can supply energy (or amplify). Like diodes, transistors are physically more complicated than resistors, capacitors and inductors and we won't go into detail about just what they are. Instead we'll focus on how transistors behave. The collector C must be biased more positive than the emitter E. The current through the collector IC is roughly proportional to the current into the base IB (usually anywhere from 50 to 250 times IB). So there you have it. In a first approximation the transistor is a current amplifier. A small current flowing into the base controls a much larger current flowing into the collector.


  1. Ground the emitter of a TIP31C npn transistor. Put a 22 Ohm resistor in series with a MM in ammeter mode between the collector and a +2.5VDC supply. Put a 1kOhm resistor in series with an ammeter between the base and the +2.5VDC supply. Advice: Make sure you have the transistor pins labeled correctly (maybe look up the spec sheet).
    1. Measure the collector current and the base current for supply voltages VS between 1.3 to 3VDC.
    2. Plot IC/IB vs. VS.
    3. What is the proportionality factor between IC and IB at VS = 1.3VDC?
    4. Is the proportionality factor independent of VS ?
    5. Does the transistor amplify current?
  2. Read Chpt 3.1, 3.1.1, 3.2.1, 3.1.3 concerning Field-Effect Transistors (FETs) in AoE.



Operational Amplifiers (OpAmps)

  • Read Chpt 4.1, 4.1.1, 4.1.2, 4.1.3, 4.2.1, 4.2.2, 4.2.3, 4.2.6, 4.2.7, 4.5.7 concerning Operational Amplifiers (OpAmps) in AoE.

OpAmps are integrated circuits (ICs) that contain within them many transistors, resistors, capacitors and possibly diodes miniaturized into a single IC component (see chapter 9 of the eBook Starting Electronics).

What an OpAmp actually looks like

OpAmps are very high gain dc-coupled differential amplifiers with single-ended outputs and are usually employed with feedback.

The OpAmp we will be using is National semiconductor's general purpose LM741. OpAmp behaviour can may be simplified into two simple rules.

  • The output attempts to do whatever is necessary to make the voltage difference between the inputs zero.
  • The inputs draw no (very little anyway) current.


OpAmp circuit symbol
  1. Use an LM741, a 1kOhm and a 500Ohm resistor to construct the non-inverting amplifier shown at the right (power to OpAmp not shown).
    Non-inverting amplifier
    1. Power the OpAmp at +10VDC and -10VDC.
    2. Apply a +1VDC signal to the input and measure the output voltage.
    3. Can you explain the OpAmps behaviour in terms of the first rule above?
    4. What is the gain of your amplifier (Vout/Vin)?
    5. What is the value of 1 + Rf/Rg?
    6. Are these last two values the same?
    7. Replace Rf with Rg and Rg with Rf.
    8. Apply a +1VDC signal to the input and measure the output voltage.
    9. What is the gain of your amplifier (Vout/Vin)?
    10. What is the value of 1 + Rf/Rg (remember you switched the values of Rf and Rg)?
    11. What is the general formula for the gain of a non-inverting amplifier?







  2. Reconfigure the LM741, the 1kOhm and 500Ohm resistors for an inverting amplifier (see diagram at right).
    Inverting amplifier
  3. Apply a +1VDC input and measure the output.
    1. Can you explain the OpAmps behaviour in terms of the first rule above?
    2. What is the gain of your amplifier (Vout/Vin)?
    3. What is the value of -Rf/Rin
    4. Are these last two values the same?
    5. Switch Rf and Rin.
    6. Apply a -1VDC signal to the input and measure the output voltage.
    7. What is the gain of your amplifier (Vout/Vin)?
    8. What is the value of -Rf/Rin (remember you switched the values of Rf and Rin)?
    9. What is the general formula for the gain of an inverting amplifier?

Instrumentation and Loading

Since electronic instruments (MMs, oscilloscopes, function generators, even Opamps, etc.) are composed of resistors, capacitors, inductors, diodes, transistors, OpAmps, etc., they have characteristic net input and output impedances.

Consider the simple voltage divider circuit shown at the right.

Let Vin be 10VDC and R1 = R2 = 10MOhm. Based on your experience in section 5 above what do you think Vout should be?

  1. Construct the voltage divider.
    1. Let R1 = R2 = 1kOhms. Measure Vout. Is Vout what you expected?
    2. Change both resistors to 10kOhm. Measure Vout. Is Vout what you expected?
    3. Change both resistors to 500kOhm. Measure Vout. Is Vout what you expected?
    4. Change both resistors to 1MOhm. Measure Vout. Is Vout what you expected?
    5. Change both resistors to 10MOhm. Measure Vout. Is Vout what you expected?
    6. Plot Vout vs. R2.
    7. What do you think is going on? Remember how the MM measures voltage.

This voltage sagging effect is the result of circuit loading. The MM bleeds off a small bit of the current and runs it through a very precise calibrated large value resistor (usually between 1MOhm and 10MOhms). When R2 is 1kOhm the MM bleeds off a very small fraction of the current that should have flowed through R2. Consequently, the measured voltage at Vout sags minimally. However, as R2 increases to values approaching the MM's "internal" resistance (or input impedance) the MM draws off larger and larger fractions of the current that should have run through R2. Consequently, the measured voltage at Vout sags substantially.

The voltage divider and MM can be thought of as a two stage electrical device. The first stage does something and then "hands off" the result to the second stage which also does something.

What can you say about the output impedance of a first-stage electronic device in relation to the input impedance of a second-stage electronic device?

Unity Gain Non-Inverting Amplifier: The Follower or Buffer

The above consideration on instrumentation and loading naturally lead to a very useful OpAmp device. A follower (pictured at right)

The follower

is a unity gain non-inverting amplifier. Why would anyone want this? It just reproduces what you've already got.

Well let's consider the follower's input and output impedances. From the second simple rule for OpAmps (see above) the input impedance (looking into the (+) OpAmp input) is "infinite" (well, very high anyway as it draws little to no current). The OpAmp's output impedance (looking from Vout to the (-) OpAmp input) is zero (or very nearly).

So the follower has the useful properties that it's input impedance is "infinite" and it's output impedance is "zero". This would have been a wonderful thing to have between the voltage divider stage and the MM stage in the previous section.

  1. Redo the measurements of the previous section with the follower (or in this case it's maybe better to call it a buffer) in between the stages.
    1. Plot the new Vout vs. R2.
    2. Does Vout still sag with increasing R2?


RF Circuits and PCBs

  • Read Chapter 1 of RF Circuit Design by Chris Boswick (on bookshelf in lab).
  1. Why do discrete-component electronic circuits behave non-ideally at RF frequencies (>= 10MHz).
  2. What can be done about this?
  3. Build two discrete-component RLC tank circuit on a protoboard. One at resonant a ("low") frequency (500kHz) and one at a ("high") resonant frequency (30 MHz).
    1. Plot the Vout vs frequency of the low-frequency tank circuit. Does it behave as expected?
    2. Plot the Vout vs frequency of the high-frequency tank circuit. Does it behave as expected?
    3. Explain the two previous results.
  4. Create and populate a ground-plane PCB of the high-frequency tank circuit above.
    1. Plot Vout vs. frequency.
    2. Does it behave as expected? Why?

Read this on PCB construction

Optoelectronics

The electronic components considered above lie completely in the realm of "pure" electronics. In addition to these "pure" electronic components there exists hybrid components that blend the characteristics of electronics and optics. These are called optoelectronic (OE) components and include photodiodes (PDs), light-emitting diodes (LEDs) and laser diodes (LDs). We won't go into detail of what these OE components are but just look at how they behave. Suffice it to say, at this point, that the PD, LED and LD are all diodes and if you understand what a diode is you'll go a long way towards understanding these OE devices.

The Photodiode or photodetector: Photodiodes are very much like the diodes you encountered above with the exception that currents can be induced not only by biasing voltages but also by light (called the photo-current). Please read about photodiodes in Saleh & Teich's Fundamentals of Photonics sections 18.1, 18.3 and 18.4 (on bookshelf).

Photodiode symbol
  1. Measure the "dark" forward I-V curve of Optek's OP950 PD (from 0-1.5V). That is, shield the PD from ambient room light while doing the measurement.
    1. Plot the dark forward I-V curve.
    2. How does it look compared to the "pure" electronic diode's forward I-V curve?
    3. At what voltage does the PD "turn on". How does this compare with the "pure" diode's turn-on voltage?
    4. Now open up the PD to ambient room light and plot at the forward I-V curve again. Has it changed?
    5. Get a red LD module and shine laser light on the PD. Observe the forward I-V curve again. Has it changed?
    6. What can you say about the PD's I-V curve as a function of incident light power?
    7. Measure the dark reverse I-V curve of the PD between 0 and -25VDC.
    8. Open the PD to ambient light and redo the previous measurement.
    9. Shine the red laser light on the PD and repeat the measurement again.
    10. What can you say about the reverse I-V curve of the PD vs. incident light power?


Please read about light emitting diodes (LEDs) and laser diodes (LDs) in Fundamentals of Photonics sections 17.1 and 17.3.


The Light Emitting Diode:

LED symbol
Typical LED

The PD above is a device that when light is incident on it a photocurrent is produced. The LED, on the other hand, is a device that when a (suitable) current is induced through it light is produced.

  1. Forward bias (positive voltages applied to the Anode) ANDOptoelectronic's AND114-R LED between 0 and 2VDC.
    1. What happens as the voltage is increased?
    2. With a power meter measure the optical power as a function of forward current and plot.
    3. Are there distinct regimes of optical power output?
    4. With a spectrometer measure the optical power as a function of wavelength.




The Laser diode: Laser diodes are similar to LEDs but in addition have optical feedback. Without going into detail, this

Typical LD

feedback greatly improves the optical characteristics of the LD (think of the difference between a flashlight and a laser pointer).

Download and run this laser simulation applet - Try to get the system to lase

LEDs are fairly robust devices. You can mistreat them, within reason, and they'll still function (at least to some degree). LDs, on the other hand, are easily destroyed or damaged.

  • Static Electricity: The static electricity generated by walking across a carpet can (and usually does) destroy them.
  • Reverse Bias Voltages: LDs (and LEDs too) are meant to operate in forward bias only. As such, they can be destroyed by applying too high a reverse bias to them (this reverse bias damage value is usually spec'd).
  • Rapid Current Changes: Abruptly cutting off (or turning on) a LD driving current can (and usually does) destroy the LD.
  • Putting too much current through the LD (again, this usually does destroy the LD).

For all these reasons LD are usually operated within a protective circuit (see right).

LD Constant Current (CC) Circuit

There are two components you haven't seen yet. The LM317 and the square blue component (the pot) connected to the middle pin of the LM317. A pot or potentiometer is a variable resistor. It's got a knob or screw that can be turned to adjust its resistance.

Let's discuss the parts of this circuit and what they do to help protect and operate the LD. The LM317 is a voltage regulator. The pot allows for adjusting the LD current and the resistors act to limit the maximum current. The "pure" electronic diode clamps any reverse biases (accidentally applied) to ~ 0.6V (which is below the reverse bias damage value). The capacitor suppresses static discharges or voltage transients and slows the LD turn-on/turn-off behaviour.

In addition to the LD protection circuit always wear an antistatic wrist band when handling LDs.

Also, it's always best to test your CC circuit with an LED first (LED is more robust - and cheaper) before trying it with the LD.

The LD we'll use is LiteOn's LTLD505T. It has a center wavelength around 650nm, 5mW optical power, turn-on (or threshold) current around 35mA, operating current 45mA, operating voltage around 2.4V, max operating voltage 2.6V and max reverse voltage of 2V.

  1. Put together this LD CC circuit with V(-) at ground, V(+) at 7VDC, a 1K pot, , R = 30 Ohms, C = 10Failed to parse (SVG (MathML can be enabled via browser plugin): Invalid response ("Math extension cannot connect to Restbase.") from server "https://wikimedia.org/api/rest_v1/":): {\displaystyle \mu} f and a P6KE6.8 diode (oriented the correct way).
    1. Test the CC circuit with an LED (cathode grounded).
    2. Does the circuit light up the LED? If yes, proceed. If not, troubleshoot the circuit.
    3. Replace the LED with the LD (remember to wear the antistatic wrist band).
    4. Does the circuit light up the LD? Is yes, proceed. If not, troubleshoot.
    5. With the power meter measure the optical power vs. LD current. What's the turn-on current? Is it close to the LD's spec'd threshold current?
    6. What is the optical power at the operating current?
    7. Are there distinct optical regimes?
    8. How does the LD's threshold current relate to these regimes?
    9. With a spectrometer measure and plot the optical power vs. wavelength for currents just below threshold and well above threshold.
    10. Are these plots similar? Explain.


  • Submit a write-up outlining your activities, results and the answers to all the questions asked above.

  • CLEAN UP THE OBSTACLE COURSE SETUP AFTER USE